从事模具研发,设计,加工及制造相关人士,具有Aut?????????oCAD机械制图基础,或有志于从事产品模具设计方面获得高薪工作的人士www.xbaixing.com。
培训内容:
UG模具设计部分(全三维设计)
1.UG的安装及用户化。
2.图层知识及颜色管理。
3.曲线构造与编辑。
4.草图设计。
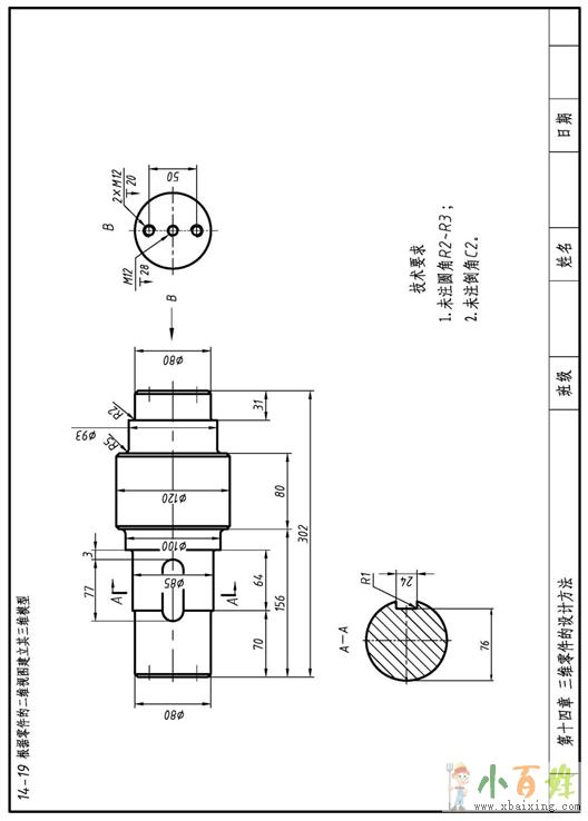
5.实体建模及编辑、直接建模、复合建模等www.xbaixing.com。
6.创建复杂曲面及曲面编辑。
7.自顶向下的装配设计及引用集管理。
8.装配中的参数化设计及编辑(WAVE LINK、克隆装配、表达式管理等)。
9.全3维检查(干涉CHECK及间隙CHECK等、拔模分析和倒扣面(UNDERCUT)分析最小R角分析等)。
10.内外滑块设计LPtB。
11.Drafting 2 维工程图及模具组装图、爆炸打开图。
12.逆向工程设计(点云到曲面等)。
13.CAD2维设计。
14.出图打印。
15.模具结构设计(三板冷流道模、两板冷流道模、热流道模具、热流道板的设计、热流道注嘴设计等)小.百.姓.网。
16.IGS、STEP、PARASOLID破面修补、破体修补等。
17.产品分析与检讨(例如:对客户提出利于模具设计的产品修改建议等)。
18.型芯(CORE)和型腔(CAVITY)设计(常用分模方法等)。
19.模架设计。
20.MOLDWIZAR模具设计(分模、冷却、顶针、GATE、调标准件和标准模架等)x b a i x i n g c o m。
21.电极设计(拆铜公)。
22.如何解决分模分不开的方法(手工构造分模曲面法、打实体补丁法等)
23.讲解2D构造模具组立图。
24.UG、CAD模具设计基本理论知识及加工工艺。
25.UG三维模具排位及二维CAD排位。
26.模具排位流程及方法x.b.a.i.x.i.n.g.c.o.m。
27.模具结构分析与案例讲解。以跨国模具公司、设计事务所的设计实例讲解:一模多穴
、GATE、冷却、排气、顶针排位、割镶件(入子)、行位(内外滑块、复合滑块)、斜顶(及斜顶打顶针)、推板推块、前模斜顶、前模行位、倒装模、内缩模、哈夫(HALF)模;手机模具、导光板模具;照相机、摄象机模具;前模行位的复杂热流道模具、双色模、包胶模、成型时放金属镶件模、搓内牙(脱内螺纹)模的模具设计的原理、案例分析及基本思考方法。

苏州瑞豪环保有限公司,正规公司可开发票!我们是一家专业从事管道工程施工,管道疏通,管道检测,检漏,断水封堵,管道修复,管道清理及高压清洗,化粪池清理,污水池清淤的公司。我们主营,市政管道疏通,高压清洗

苏州瑞豪管道工程有限公司专业疏通各种下水道,先进的设备。高压清洗抽粪地漏疏通菜池疏通马桶,抽粪、吸粪,清理化粪池,环卫所抽粪,学校抽粪,管道清洗,高压清洗路面,随叫随到,二十四小时服务无节假日。小区单

138,1268,7851,QQ,1612,5148,41,苏州长年大量高价回收原装过期硒鼓、墨盒、高价回收大量空墨盒、空硒鼓 废硒鼓废墨盒旧硒鼓旧墨盒 。现金付费,价格合理。 高价回收惠普各种型号硒鼓包装 以及墨盒包装;2、高价回收旧硒鼓、旧墨盒;3、高价回收原装(新)硒鼓、墨盒;4、销售各种原装硒鼓、墨盒及办公用品;6、高价回收电脑、打印机等办公设备;我们最专业欢迎新老客户来电

本公司常年高价回收废旧物资,金属铁铜铝不锈钢,稀有金属钨钢镍等,工厂设备,机床设备,变压器,电机,电线电缆,天车龙门吊,制冷机组,叉车,钢结构厂房仓库物资,厂房拆除。

专业从事防水堵漏施工,新旧屋面、地下室、平台、房顶、厂房屋面、各类金属屋面,卫生间、伸缩缝、裂缝、内外墙、天沟、阳台、水池等各部位的防水补漏工程,配有先进的堵漏防水施工机械设备

130,6380,8527,QQ,1264,0099,63高价回收闲置未用过的原装全新墨盒、全新硒鼓、全新粉盒;2、已用过的空旧墨盒、旧硒鼓、旧粉盒;3、未用的原装过期墨盒、原装过期硒鼓、原装过期粉盒;4、销售各种原装硒鼓、墨盒及办公用品;5、硒鼓加粉、墨盒加墨;6、高价回收电脑、打印机等办公设备。公司承诺:同等的价格比服务,同等的服务比价格!诚信诚意诚心的优质服务!期待您的光临!

24小时服务因为专业,所以信任!苏州瑞豪管道工程有限公司专业疏通各种下水道,先进的设备。高压清洗抽粪地漏疏通菜池疏通马桶,抽粪、吸粪,清理化粪池,环卫所抽粪,学校抽粪,管道清洗,高压清洗路面,随叫随到

苏州瑞豪环保工程有限公司专业环卫所抽粪,化粪池抽粪,清理化粪池,清理隔油池,高压清洗,管道高压清洗,市政管道疏通与清洗。承接机关团体、宾馆、饭店、厂矿、学校、商场、社区、物业等各企事业单位的化粪池

公司现高价回收废旧数控刀片 钨钢铣刀 钨钢板材 钨绞丝 钨钢棒头 数控刀具 钨钢钢模具废料 钨钢粉 拉丝摸 废合金边角料高速钢丝攻 钻头 铰刀 滚刀 拉刀 插刀 锯片 铣刀 高速钢制品钼板 钼顶头 钼削 钼丝 钼铁 含钼肥料工业边角料镍板 镍粉 梅花镍 印花镍纸 镍铜 镀镍电子肥料 含镍工业边角料

经营项目:专业砸墙,拆隔断,专业拆除,拆旧,家装拆除,酒店拆除,商城拆除,超市 厂房 各种大型场所拆除,专业敲墙,铲灰,铲墙灰,铲白灰,打门洞,拆除、拆瓷砖,垃圾清运,低价格,高效果 不扰民 实力派工程 大小满意为止

153,5881,1527,QQ,1264,0099,63大量高价回收企事业 单位用完的新旧墨盒、新旧硒鼓,过期新硒鼓墨盒回收 回收电脑显示器打印机 高价回收惠普佳能完好旧包装盒子和二维码 ,长年回收佳能、惠普、利盟、联想、三星等各种型号的空墨盒、硒鼓、闲置墨盒和硒鼓。 诚信 诚意诚心的优质服务!期份永不褪色的诚信待您的光临

管道高压清洗疏通清淤,污水池清理抽运。欢迎来电咨询,免费上门查看解答洽谈。真诚期待为贵公司提供更好的优质服务! 长期优惠承包合作。互利共赢

多年来,我公司以优质的服务和优惠的价格赢得了社会的广泛赞誉,我们始终秉承 质量可靠,服务热情,信誉良好、客户至上的服务宗旨,竭诚为社会各界新老客户提供优质服务。为共创美好洁净环境。本公司与诸多小区物业,公司,企业单位,学校,酒店,长期优惠承包合作。互利共赢。

一、管道疏通:服务热线:138;148;13872周先生1、管道疏通:我公司拥有先进的大中小型管道疏通设备,采用先进的管道疏通技术,疏通各类管道。2、疏通下水道:家庭、酒店、公司、学校等单位的下水道;

专业设备和技术团队承接苏州各区的管道检测、听漏139-140-70379周先生专业针对小区,学校,单位,工厂建筑物均有消防管网,但埋地消防管网使用年限久了之后,难免会发生暗漏,消防管网的漏水会造成很大

针对公司厂区餐饮区域集中的油污管道,我们提供定制化隔油池清理方案,配备大容量吸粪车和专业除油设备,有效解决油脂板结、管道淤塞问题。清理化粪池备有大型吸污车,清理化粪池,隔油池,下水井里油污杂物。下水道疏通能快速准确疏通下水道的堵塞。

我们的主营业务包括污水管疏通、管道清洗、管道检测与修复等。在污水管疏通方面,我们采用先进的设备和技术,能够快速有效地解决各种堵塞问题,无论是因为油脂堆积、异物堵塞还是管道老化等原因。同时,我们还提供定期的管道维护服务,预防管道堵塞问题的发生,延长管道的使用寿命

138,1268,7851,QQ,1264,0099,63,电脑显示器回收,打印机回收 原装墨盒回收,原装硒鼓回收,回收新旧墨盒,回收新旧硒鼓,销售各种墨盒硒鼓,各种硒鼓墨盒回收,长期回收,谢谢您把我公司的回收信息提供给您的朋友,为我公司提供信息有,随叫随到一个电话我们会第一时间赶到,价格来电详谈,期待和您长期合作,我公司提供上门回收

138 1268 7851 QQ 1458 9601 18 常年大量高价回收原装过期硒鼓、墨盒。现金付费,价格合理。 业务范围:1、高价回收惠普各种型号硒鼓包装 以及墨盒包装;2、高价回收旧硒鼓、旧墨盒;3、高价回收原装(新)硒鼓、墨盒;4、销售各种原装硒鼓、墨盒及办公用品;6、高价回收电脑、打印机等办公设备;服务方式 :上门回收硒鼓墨盒,现金支付,苏州地区提供上门服务,周边城市量大也可上门收货。

苏州专业疏通下水道、马桶疏通,管道高压清洗、水管清洗、下水管道安装改造、化粪池清理、清理隔油池、热线电话:138-148-13872周先生一、服务内容1.清洗:高压清洗工程车疏通清洗各种管道及各种疑难


、修产品、合成海报、调色技巧等,报此班需要Photoshop基础 32...

苏州CAD高级培训 在苏州选择3D培训班,首先要看老师有没有相关经验,标准就是有没有原始文件及指定地点实体店效果图,如果没...

常用的CAD软件,也就是所谓的三维制图软件,较二维的图纸和二维的绘图软件(比如AutoCAD)而言,三维CAD软件能够更加直观、准确地反映实体和特征。对于专业企业,因为绘制目标不同,还常存在有多种CAD系统并行的局面,那么就需要配置统一的、具备跨平台能力的零部件数据资源库,将标准件库和外购件库内的模型数据以中间格式导出到三维构型系统当中去...

CAD.因为学的不错.现在工作还可以.大家可以去看下吧.试听下.苏州CAD辅助设计培训苏州CAD实用班培训苏州培训CAD苏州CAD培训苏州学CAD苏州CAD机械图培训苏州CAD施工图培训...

1、施工CAD通过介绍CAD软件在室内设计领域内的基本用途,基本操作方式,并通过多种有代表性的室内设计案例的绘制,使学员按照行业规范利用计算机及应用软件来绘制室内设计平面图、立面图、顶面图、节点、大样、水电图等全套施工图。...

Photoshop是Adobe公司旗下最为出名的图像处理软件之一,集图像扫描、编辑修改、图像制作、广告创意,图像输入与输出于一体的图形图像处理软件,深受广大平面设计人员和电脑美术爱好者的喜爱。...
PhotoShop是广告设计的一门主干课程,也是高职高专广告设计专业的一门必修软件课。该软件是目前在市场上最流行的图形图像处理软件。 PhotoShop基础理论、选区的选取与编辑、图像编辑、绘图工具、图像色彩和色调的调整、图层的应用与编辑、路径的应用、蒙...

培训对象:想从事工程绘图、AutoCAD施工图设计 2D 3D施工图,正在从事手工绘图的工程师,以及热爱建筑装饰设计的业余爱好者...
培训对象:希望从事autocad施工图设计,或加强autocad绘图设计人员;高校建筑、环境相关专业学生;初中或同等学历以上,以及在校学生,均可入学。...

培养具有现代设计思想和理念、富有想象力和创造力以及艺术素养的室内装饰设计人才和装饰企业经营管理人才,满足社会对专业室内设计人才的需求,进一步规范国内装饰行业市场,提高室内设计人员的整体业务水平。二、培训对象:有志从事设计行业,对室内设计及电脑课程感兴趣的人士均可报读。苏州cad施工图培训全科班...